
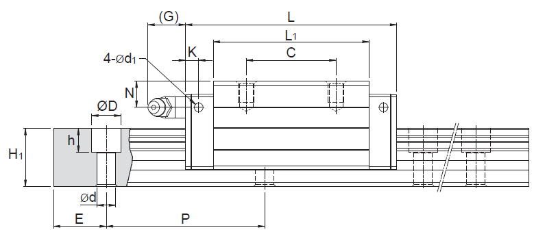
臺灣銀泰直線導軌MSA30S滑塊是一款四方型滑塊,滑塊的尺寸為97*60,滑塊上有4個M8的螺紋孔,其孔距為40*40,MSA30S滑軌的安裝孔距為80,MSA30S滑塊與滑軌的組合高度為45。所有尺寸完全與臺灣上銀直線導軌HGH30CA相同。兩者之間可相互替換,在防塵方面,銀泰直線導軌比上銀直線導軌做得更佳出色。
MSA30S詳細參數如下圖所示:



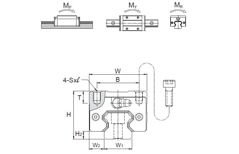
MSA30S實物圖:

東莞市錦榮自動化科技有限公司專業提供PMI-銀泰直線導軌MSA30S,銀泰導軌參數,歡迎來電訂購
聯系電話: 18038294950 0769-22810279 劉先生
版權所有 ©2013 東莞市錦榮自動化科技有限公司 www.shenbaoza.cn
地址:東莞市南城區白馬社區塘巖新村五巷57號一樓 電話:0769-22810279
聯系人 譚容華 手機 18038294952 QQ 2829602768